离心风机CHARATERISTIC
DF series centrifugal fan can feature in rich wind, high pressure and low noise by the "multiple, forward, narrow" impellers. Widely used in printing, packaging, plastics, paper, glass, pharmaceuticals, footwear and other machiner and industrial. It can also be used for temperature, dust emission, cooling and so on.
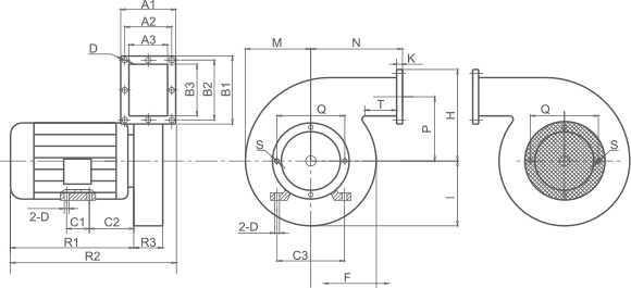
CENTRIFUGAL FAN DATA

PRINCIPLE
Centrifugal fan consists of impeller, air inlet, spiral volute and other components. When impeller rotates, the air will leave the channel, the outward movement by the centrifugal force, the center of the impeller can generate the degree of vacuum, and therefore intake air. Then intake air will be folded 90°at the entrance of impeller, get kinetic and pressure energy under the blades effect. Air flow from blade channel flows into spiral volute, exhausts from air outlet after concentration and deversion.
Designed outlet angle at left and right side (0 , 90 , 180 , 270 ),
customization available.
NOTE: Dashed line means that the motor is at the back of the fan.
Installation diagram of low-noise centrifugal fan