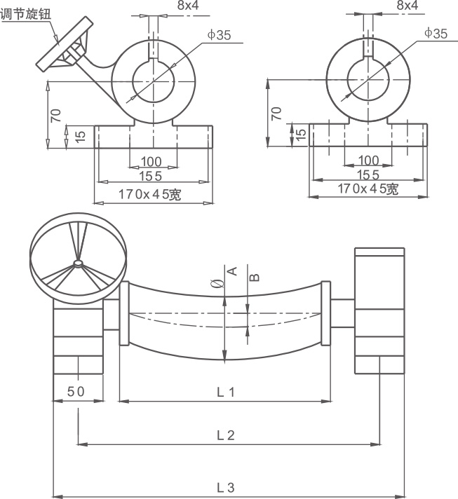
弧形辊(弯曲辊)CHARATERISTIC
Curved rubber roller has a certain arc in the longitudinal direction, it is fixed by the ball bearing and rotatable.
When the paper / film is rotated through the roller, it will be stretched in the longitudinal direction because of the certain curvature of the curbed rubber roller. The roller can stretch the paper / film to eliminate wrinkles and prevent the material in the cutting process.
In other words, curved shaft fixed and the bending rubber roller would rotate well.
It is widely used for the paper, film, textiles and similar machine and equipment.
CHARATERISTIC
1. The rubber material is nitrile rubber, optional for red, green and black color.CURVED ROLLER DATE

