▪ HOME轴流风机

AXIAL FLOW
FAN

概述 SUMMARY

轴流风机由单法兰圆筒形铝合金机壳和塑料风叶与电机组成,体积小、安装方便,具有风量大、振动小、噪音低等优良特性。


环境温度:-40℃--+55℃    
海拔高度:55Kpa(2500m)    
相对湿度:90%--95%







适用范围 THE SCOPE OF APPLICATION

该风机主要用于需要风量大的地面自动控制装置、大型电子设备、机柜、电焊机等行业的通风散热之用。亦可在建筑物、厂房作为通风、换气、净化等使用。



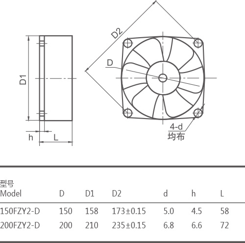
外形及安装尺寸 OVERALL AND INSTALLATION DIMENSIONS





轴流风机数据 AXIAL FLOW FAN DATA

上一篇:离心风机 返回列表 下一篇:永磁低速同步电机