安全夹头CHARATERISTIC
Safety Chuck is for continuous action of the shaft (air shaft) to provide fast, accurate, simple, safe and effective connection device, to avoid shaft running loose or tighten, can improve work efficiency and guarantee the quality. Safety chuck could be flange-mounted or foot-mounted. It is widely used in printing, packaging, plastics, paper, glass, pharmaceutical, electronics batteries, textile machine and industrial.
SAFETY CHUCKS TYPE

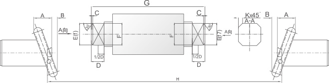
THE TWO SIDES DIMENSION OF AIR SHAFT
